聯系人:王經理
銷售電話:15610293837
銷售QQ:2962700085
公司地址:山東省濰坊高新區新城街道玉清社區光電路155號濰坊高新區光電產業加速器(一期)1號樓301

PRODUCT CENTER
聯系人:王經理
銷售電話:15610293837
銷售QQ:2962700085
公司地址:山東省濰坊高新區新城街道玉清社區光電路155號濰坊高新區光電產業加速器(一期)1號樓301
水質浮漂監測站又稱浮標水質監測站,浮標水質在線監測站,水質浮漂監測站可用于監測河流湖泊等水環境中的水溫、PH值、電導率/TDS、溶解氧、濁度、COD、氨氮等水質參數,一旦發現水質異常情況,就會立即發出預警信息,提醒水質管理部門及時采取措施,防止水污染事件的發生。
水質浮漂監測站又稱浮標水質監測站,浮標水質在線監測站,水質浮漂監測站可用于監測河流湖泊等水環境中的水溫、PH值、電導率/TDS、溶解氧、濁度、COD、氨氮等水質參數,一旦發現水質異常情況,就會立即發出預警信息,提醒水質管理部門及時采取措施,防止水污染事件的發生。
1.水質浮漂監測站SFA集數據采集、存儲、傳輸和管理于一體的無人值守的采集系統。它在工農業生產、旅游、城市環境監測、地質災害、防洪、供水調度、電站水庫水情管理等為目的水文自動測報系統;功能強大的上位機軟件可遠程觀測實時水雨情信息,具有數據庫、報表、下載等功能,用戶還可利用該功能完善的氣象軟件對記錄的數據作進一步的處理分析。
2.SFA05款浮標是由水質傳感器(水溫、電導率、PH、溶解氧、氨氮)、數據采集儀、通訊系統、供電系統、整體 支架、水質監測平臺六部分組成。同時可擴展 濁度、COD、葉綠素等多項水質要素。數據采集儀具有數 據采集、實時時鐘、數據定時存儲、參數設定和標準2G/4G(GPRS)通信功能。
二、產品特點
1.易部署:各類型探頭進行高度集成,安裝方便;提供免費云平臺服務,系統快速上線;
2.易維護:設備安裝后,自行工作即可,無需人工值守,也可以通過遠程監控的方式保障設備的正常運行;
3.易擴展:傳感器探頭均使用統一的通信協議,可以快速對接原設備,快速擴展監測參數;
4.低功耗:設備可以實現低功耗狀態下,長時間運行,增加設備使用的便利性;
5.實時性:設備監測到的數據實時傳輸至云平臺,提升環境數據反饋的及時性。
三、技術參數
1. 主體參數
產品名稱 | 描述 |
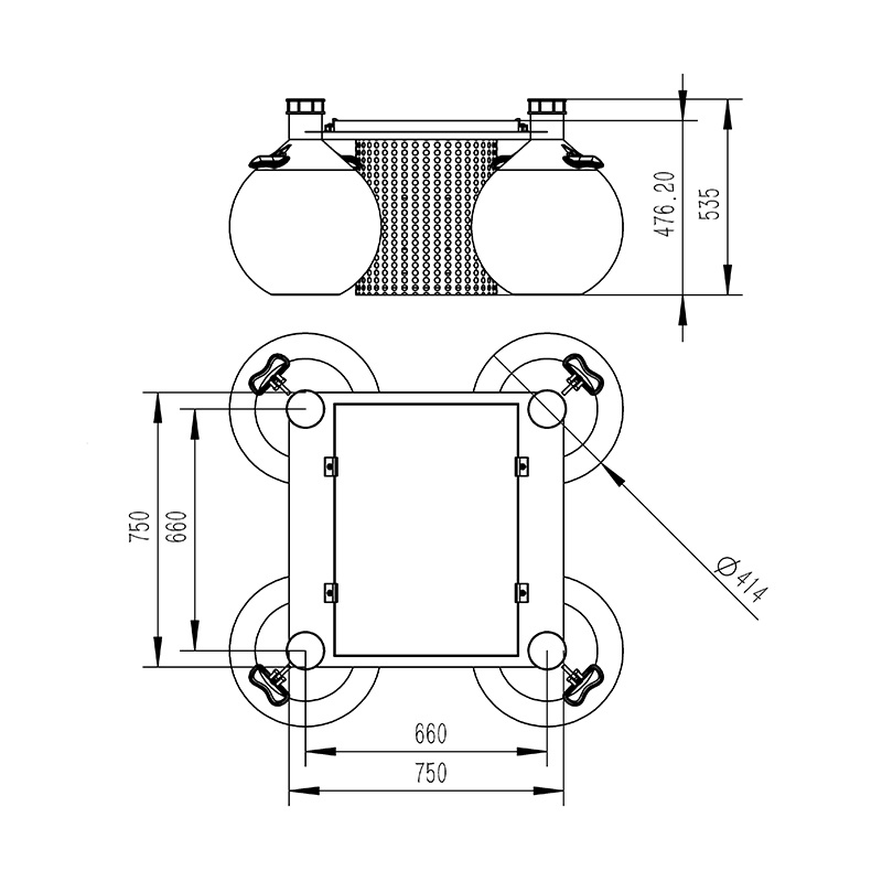
環境水質監測浮標 | 可實時實現多路參數在線監測。 可實現電池電量監控。 可實現云平臺數據監控、數據推送、 數據的存儲和報警功能;數據的無線發射功能。 峰值功耗為 5W;傳感器功耗 0.25W左右/只。 外形尺寸:750mm*750mm*535mm。浮球直徑414mm 重量:22kg |
采集器數據采集 | 運行可靠,抗干擾,可集成多路RS485/MODBUS-RTU 從站設備 |
采集器數據輸出 | 1 路 Rs485/JSON協議輸出 |
電池 | 鋰電池 12VDC,20AH(默認) |
太陽能電池板 | 22.1V/50W(默認) |
供電能力 | 定制選型;陰雨天間歇工作 5天以上 |
位置指示 (選配) | 警示燈;GPS 定位; |
監測平臺 | 云平臺;手機/電腦多終端登錄 |
防護罩 | 304 不銹鋼濾筒防護罩 |
浮體 | 直徑414mm 球形浮體*4工程塑料 |
2.可選配傳感器的主要參數
| 序號 | 名稱 | 測量范圍 | 測量原理 | 測量精度 | 是否標配 | 備注 |
| 1 | 溫度 | 0~50℃ | 高精度數字傳感器 | ±0.3℃ | ? | |
| 2 | pH | 0~14(ph) | 電化學(鹽橋) | ± 0.1PH | ? | |
| 3 | ORP | -1500mv~1500mv | 電化學(鹽橋) | ± 6mv | ||
| 4 | 電導率 | 0~5000uS/cm | 接觸式電極法 | ± 1.5% | ? | |
| 5 | 濁度 | 0~40NTU(低濁) | 散射光法 | ± 1% | 低濁可定制 | |
| 0~1000NTU(中濁) | 散射光法 | ± 1% | 中濁可定制 | |||
| 0~3000NTU(高濁) | 散射光法 | ± 1% | 默認發 | |||
| 6 | 溶解氧 | 0~20mg/L | 熒光壽命法 | ± 2% | ? | |
| 7 | 氨氮 | 0~100mg/l | 離子選擇電極法 | ±1mg | ? | |
| 8 | cod | 0~500mg/ L | UV254 吸收法 | ±5% | 帶有自動清潔器,可防止生物附著,避免光窗污染,以保證長期監測依然具有穩定性;可設置自動清潔時間及清潔次數,功耗0.7W | |
| 濁度 | 0~400NTU | 散射光法 | ± 1% | |||
| 9 | 懸浮物 | 0~2000mg/L | 散射光法 | ±5%(取決于污泥同質性) | ||
| 10 | 葉綠素 | 0~400ug/L | 熒光法 | R2>0.999 | 帶有自動清潔器,可防止生物附著,避免光窗污染,以保證長期監測依然具有穩定性;可設置自動清潔時間及清潔次數,功耗0.7W |
四、產品尺寸圖

五、設備安裝要求
1.遠離大功率無線電發射源
2.遠離高壓輸電線和微波無線電傳送通道
3.盡量靠近數據傳輸網絡
4.遠離強電磁干擾
六、云平臺介紹
1.CS架構軟件平臺,支持手機、PC瀏覽器直接觀測.無需額外安裝軟件。
2.支持多帳號、多設備登錄
3.支持實時數據展示與歷史數據展示儀表板
4.云服務器.云數據存儲,穩定可靠,易于擴展,負載均衡。
5.支持短信報警及閾值設置
6.支持地圖顯示、查看設備信息。
7.支持數據曲線分析
8.支持數據導出表格形式
9.支持數據轉發,HJ-212協議,TCP轉發,http協議等。
10.支持數據后處理功能
11.支持外置運行javascript腳本
作物生長對氣象條件的需求復雜多樣,單一要素監測無法滿足精準農業需求。WX-NQ12無線農業氣象綜合監測站可同時監測溫度、濕度、光照、風速、風向、降雨量等核心氣象要素,形成農田氣象的“全景圖”。農業氣象災害(如干旱、洪澇、低溫凍害)具有突發性與破壞性,提前預警是減少損失的關鍵。無線農業氣象綜合監測站通過設置預警閾值,實現氣象風險的“提前防范”。···
WX-ZS07企業污水在線水質檢測儀的核心價值,在于其能夠實時、連續地監測污水中的多項關鍵指標。這些指標包括但不限于水溫、電導率、PH值、溶解氧、氨氮、COD(化學需氧量)以及濁度等。雖然我們不單獨介紹每一個參數,但可以肯定的是,這些指標共同構成了污水水質的全貌,反映了污水的污染程度和治理效果。···
WX-TZSQ30土壤水分觀測系統是一款集成土壤水分含量和土壤溫度監測的設備,幫助種植戶及時測定墑情和掌握土壤墑情變化,有利于控制作物需水情況,為農事活動提供精準的決策依據。具有功耗低、安裝方便、多參數自由組合、全天候實時測量等特點。安裝和維護相對簡單,不需要復雜的操作和專業技術,可以擴展配置土壤電導率、土壤PH、空氣溫度、空氣濕度、太陽輻射、雨量等氣象傳感器,···
WX-BQX12移動氣象綜合站的核心優勢在于其高度的集成性和便攜性,設備集成了風速風向、溫濕度、大氣壓力等基礎氣象要素的監測功能,同時還具備空氣質量監測能力,能夠對PM2.5、PM10以及多種有害氣體進行實時檢測。這種多參數一體化設計大大提升了觀測效率,使用者無需攜帶多臺設備就能獲取全面的環境數據。緊湊的機身設計和便捷的移動方式,使其可以快速響應各類突發環境事件的監測需求。···
WX-NQ14耕地質量自動監測站是一種能夠自動監測耕地質量變化的設備系統。它集成了土壤傳感器、氣象監測設備、數據分析軟件等多項技術,能夠實時獲取土壤養分、水分、pH值、溫度等關鍵數據,并通過云計算和大數據分析,為農業生產提供精準指導。在智慧農業領域,耕地質量自動監測站發揮著不可替代的作用。它能夠及時發現耕地質量的變化,為農民提供科學的施肥、灌溉等建議,從而避免過度使用化肥和農藥,保護土壤生態環境。···
金屬款風速風向傳感器被廣泛應用于氣象、環保、交通運輸、智慧城市和工業檢測等領域。例如,在氣象觀測中,它們可以用于測量風速和風向,為天氣預報提供準確的數據。在交通運輸中,它們可以用于測量飛機的空速和風速,以確保飛行安全。與其他傳統的風速風向傳感器儀器不同的是這款是金屬外觀,更堅固,耐磨,抗氧化,耐腐蝕,可以稱得上是傳感器中的戰斗機!···