聯系人:王經理
銷售電話:15610293837
銷售QQ:2962700085
公司地址:山東省濰坊高新區新城街道玉清社區光電路155號濰坊高新區光電產業加速器(一期)1號樓301

PRODUCT CENTER
聯系人:王經理
銷售電話:15610293837
銷售QQ:2962700085
公司地址:山東省濰坊高新區新城街道玉清社區光電路155號濰坊高新區光電產業加速器(一期)1號樓301
五要素氣象傳感器又稱五要素傳感器,五要素氣象儀,五要素氣象傳感器采用先進的五要素一體式傳感器,實時測量風速、風向、溫度、濕度、大氣壓力等氣象參數,為區域環境內的實時天氣狀況等氣象數據提供準確的資料。
一、五要素氣象傳感器產品簡介
五要素氣象傳感器又稱五要素傳感器,五要素氣象儀,五要素氣象傳感器采用先進的五要素一體式傳感器,實時測量風速、風向、溫度、濕度、大氣壓力等氣象參數,為區域環境內的實時天氣狀況等氣象數據提供準確的資料。
山東萬象環境科技有限公司作為專業研發生產銷售微型氣象儀的企業,一直致力于微型氣象儀和氣象環境解決方案推廣應用。具有完整的生產鏈、實力雄厚的技術團隊和全面的營銷團隊,我們研發生產的超聲波風速風向儀、五要素微氣象儀、六要素微氣象儀和小型自動氣象站等氣象產品,已廣泛應用到氣象監測、城市環境監測、風力發電、航海船舶、航空機場、橋梁隧道等領域,客戶遍布全國各地,并取得了良好的社會效益和經濟效益。
與傳統的微型氣象儀相比,我司產品克服了對高精度計時器的需求,避免了因傳感器啟動延時、解調電路延時、溫度變化而造成的測量不準問題。
WX-WQX5型五要素微氣象儀創新性地將風速、風向、溫度、濕度、大氣壓力通過一個高集成度結構來實現,可實現戶外氣象參數24小時連續在線監測,通過數字量通訊接口將五項參數一次性輸出給用戶。
二、產品特點
1、頂蓋隱藏式超聲波探頭,避免雨雪堆積的干擾,避免自然風遮擋
2、原理為發射連續變頻超聲波信號,通過測量相對相位來檢測風速風向
3、風速、風向、溫度、濕度、大氣壓力五要素一體式
4、采用先進的傳感技術,實時測量,無啟動風速☆
5、抗干擾能力強,具有看門狗電路,自動復位功能,保證系統穩定運行
6、高集成度,無移動部件,零磨損
7、免維護,無需現場校準
8、采用ASA工程塑料室外應用常年不變色
9、產品設計輸出信號標配為RS485通訊接口(MODBUS協議);可選配232、USB、以太網接口,支持數據實時讀取☆
10、可選配無線傳輸模塊,最小傳輸間隔1分鐘
11、探頭為卡扣式設計,解決了運輸、安裝過程松動不準的問題☆
三、技術參數
1.風速(標配):量程:0~60m/s;分辨率0.01m/s;精度:±0.1m/s(北京市氣象局校準證書)☆
2.風向(標配):量程:0~360°;分辨率:1°;精度:±2°(北京市氣象局校準證書)☆
3.空氣溫度(標配):量程:-40-60℃;分辨率0.01℃;精度:±0.3℃(25℃)(北京市氣象局校準證書)☆
4.空氣濕度(標配):量程:0-100%RH;分辨率:0.01%RH;精度:±3%RH(北京市氣象局校準證書)☆
5.大氣壓力(標配):量程:30-110Kpa;分辨率0.01Kpa;精度:±0.25%(北京市氣象局校準證書)☆
6.其他可選配要素:壓電雨量、TSP、一氧化碳、二氧化硫、二氧化氮、光學雨量、臭氧、PM2.5、PM10、噪聲、總輻射、光照度、二氧化碳、氧氣含量、硫化氫、氫氣、氯氣、氨氣、氯化氫、氰化氫、氟化氫、磷化氫、二氧化氯、環氧乙烷、一氧化氮、過氧化氫、四氫噻吩、甲醛、VOC、催化燃燒可燃氣
7.功率:0.72W
8.生產企業具有ISO質量管理體系、環境管理體系、職業健康管理體系認證☆
9.生產企業具有專利證書和計算機軟件注冊證書☆
10.生產企業為3A級信用企業☆
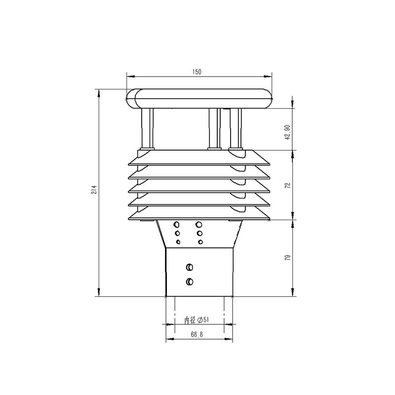
四、產品尺寸圖

五、產品結構圖

1、控制電路
2、指北箭頭
3、超聲波探頭
4、百葉箱
5、溫度、濕度、氣壓監測位置
6、底部固定法蘭
※此產品可選配電子羅盤、GPRS(內置)/GPS(二選一)
六、產品接線定義

定義 | 備注 | |
VCC | 電源正 | DC12V |
GND | 電源地 | |
485A | RS485A | |
485B | RS485B |
隨著全球氣候變化的日益嚴峻,從小培養孩子的環保意識顯得尤為重要。WX-XQ1幼兒園校園智能氣象站不僅是一個觀測工具,更是一個生動的環保教育基地。它讓孩子們親眼見證天氣的變化,理解氣候變化對自然界的影響,從而學會珍惜資源、保護環境。每一次的觀測,都是一次心靈的觸動,讓孩子們在心中種下綠色生活的種子?!ぁぁ?/p>
在自然災害來臨前,WX-SQ5綜合電子氣象儀能夠捕捉到氣象要素的變化,為應急響應人員提供準確的預警信息。例如,在臺風、暴雨等極端天氣來臨前,綜合電子氣象儀可以實時監測風速、風向和氣壓等參數,判斷天氣系統的強度和移動方向。通過這些數據,應急管理部門可以及時啟動應急預案,采取必要的防范措施,從而有效減少災害帶來的損失?!ぁぁ?/p>
不同于大型氣象監測設備的復雜與笨重,WX-NQ14小型農業氣象站有著靈活便捷的優勢。它可以輕松安置在農田的角落,不影響作物耕種和生長,卻能全天候堅守崗位,持續感知田間的氣象變化。無論是清晨的露水、正午的烈日,還是夜間的降溫,它都能及時捕捉到這些細微的氣象波動,為農戶提供連貫的氣象變化線索?!ぁぁ?/p>
WX-QC12自動小型氣象站是一種集成了多種傳感器和數據處理技術的便攜式氣象監測設備。別看它們體積不大,卻能夠實時監測溫度、濕度、氣壓、風速、風向、降雨量乃至紫外線強度等多種氣象參數。這些數據的收集與分析,對于農業生產、城市規劃、環境保護乃至個人健康都有著不可小覷的作用。精準,是自動小型氣象站的核心競爭力。得益于先進的傳感器技術和算法優化···
WX-PCR16D雙通道16孔PCR,就是在一個PCR儀器上設置兩個獨立的反應通道,每個通道可同時檢測8個樣本,總共可檢測16個樣本。這種設計大大提高了檢測效率,縮短了檢測周期。同時,雙通道的設計還可以實現不同靶標的并行檢測,為多種動物疫病的快速篩查提供了可能。當前,動物疫病防控形勢依然嚴峻。一方面,動物疫病的種類和數量不斷增加,疫情傳播速度加快···
雨量流速監測是WX-SW3智慧河道水位流量雨量流速監測系統中的另一項關鍵技術。在河道管理中,降雨量和流速是評估河道狀況、預測洪水風險的重要指標。智慧河道監測系統通過高精度雨量傳感器和流速監測設備,能夠實時捕捉降雨量和流速的變化,為管理人員提供及時、準確的預警信息。這對于防范洪水災害、保障人民生命財產安全具有重要意義?!ぁぁ?/p>