聯系人:王經理
銷售電話:15610293837
銷售QQ:2962700085
公司地址:山東省濰坊高新區新城街道玉清社區光電路155號濰坊高新區光電產業加速器(一期)1號樓301

PRODUCT CENTER
聯系人:王經理
銷售電話:15610293837
銷售QQ:2962700085
公司地址:山東省濰坊高新區新城街道玉清社區光電路155號濰坊高新區光電產業加速器(一期)1號樓301
不銹鋼壓電雨量傳感器又稱壓電雨量計,金屬款壓電雨量傳感器,不銹鋼壓電雨量傳感器是一款不銹鋼材質的雨量計,強度高、抗氧化、抗腐蝕,可用于水文水利綜合監測站遙測降水量、降水強度、降水起止時間。
一、不銹鋼壓電雨量傳感器產品概述
不銹鋼壓電雨量傳感器又稱壓電雨量計,金屬款壓電雨量傳感器,不銹鋼壓電雨量傳感器是一款不銹鋼材質的雨量計,強度高、抗氧化、抗腐蝕,可用于水文水利綜合監測站遙測降水量、降水強度、降水起止時間。
本壓電雨量傳感器采用PVDF壓電薄膜作為感雨器件,通過嵌入式AI神經網絡分辨雨滴信號,避免因砂礫、灰塵、振動等干擾帶來誤觸發。
廣泛應用于氣象環境監測、水文水利綜合監測站、交通道路監測、農林、風力發電等有關部門用來遙測降水量、降水強度、降水起止時間。用于防洪、供水調度、電站水庫水情管理為目的水文自動測報系統、自動野外測報站等。
二、不銹鋼壓電雨量傳感器功能特點
1.一體化設計,外觀精美
2.無機械配件,無任何外露部件,可過濾樹葉、塵土、蟲子等環境因素所引入的相似信號
3.測量精度高,量程寬,穩定性能好,低功耗,抗外界干擾能力強
4.可全天候工作,不受天氣變化的影響,精確到秒的降雨時長監測
5.免維護,雨滴接觸面為弧形設計結構,不存儲雨水
6.安裝后帶有自動水平校準功能,無需現場校準
7.體積小巧,攜帶、拆卸安裝方便
8.不銹鋼材質,強度高、抗氧化、抗腐蝕
三、不銹鋼壓電雨量傳感器技術參數
測量范圍 | 0-4mm/min |
測量精度 | ≤±4% |
分辨率 | 0.01mm |
采樣頻率 | <1S |
通訊接口 | RS485 |
通訊協議 | MODBUS |
電源 | DC12V |
功耗 | 0.12W |
工作溫度 | -40~85℃ |
工作濕度 | 0~100%RH |
加熱模塊(選配) | 電流:1A(DC12V) |
功耗:12-15W |
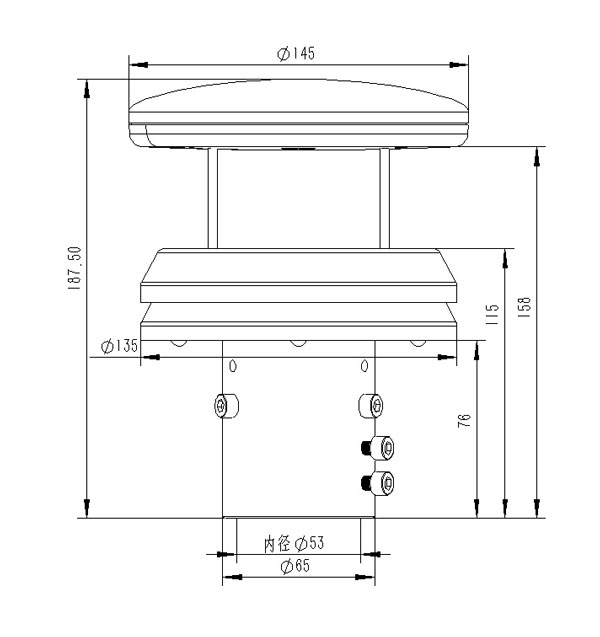
四、不銹鋼壓電雨量傳感器產品尺寸圖

五、產品結構圖

六、注意事項
1.傳感器水平周圍1米半徑無遮擋,避免水滴飛濺影響
2.傳感器安裝位置應避開強機械振動源
3.傳感器安裝上方應為開闊區域,雨滴應直接滴落至傳感器,應免二次滴落和連續水流沖擊
WX-YJ1氣象雨水監測系統是一種基于氣象監測技術和傳感器等設備的儀器,用于實時監測、分析和記錄降雨情況,降雨情況包括降雨狀態、每次數據采集間隔的降雨量、天降雨量、周降雨量、月降雨量、年降雨量等,這些數據通過傳感器等設備采集并上傳至云端,然后通過專門的軟件進行處理。從而為不同類型的用戶提供及時、準確的氣象雨水數據。···
WX-BGF11S光伏電廠氣象站的重要性不言而喻,它能夠實時監測光伏電池組件周圍環境的關鍵氣象參數,如太陽輻照度、溫度、濕度、風速、風向等。這些數據對于準確評估光伏發電潛能、優化電站運行策略、提高發電效率至關重要。通過持續監測和分析這些數據,光伏電廠管理者可以及時調整電站的運行狀態,有效應對各種氣象變化,確保電站始終保持在最佳工作狀態。···
WX-CW16H 4通道16孔熒光定量PCR儀具有諸多顯著特點與優勢。首先,其高通量設計使得單次檢測能夠處理多個樣本,顯著提升了檢測速度。其次,儀器采用先進的熒光檢測系統,具有高度的靈敏度和準確性,能夠準確識別微量目標核酸。此外,該儀器還具備操作簡便、自動化程度高等特點,降低了操作難度和人為誤差,使得動物疫病快速檢測更加便捷、可靠。···
WX-FBQ2防爆一體化氣象儀是一種集成了多種氣象監測功能,并具備防爆性能的高精度設備。它能夠實時監測環境中的溫度、濕度、氣壓、風速、風向等關鍵氣象參數,并通過先進的數據處理算法,提供準確、可靠的氣象數據。同時,防爆一體化氣象儀采用特殊的防爆設計,能夠在易燃易爆環境中安全運行,確保監測工作的連續性和穩定性。···
環境監測設備往往體積龐大、固定安裝,難以覆蓋偏遠地區或突發環境事件的現場。WX-PQX8便攜環境監測站則徹底打破了這一局限。它體積小巧、重量輕,可輕松放入背包或車輛中,無論是森林深處的生態考察,還是工廠周邊的污染排查,都能快速部署到位。這種靈活性使得環境監測不再受限于地理位置,真正實現了“哪里需要測哪里”。例如,在突發化學泄漏事故中,便攜監測站能第一時間抵達現場,為應急指揮提供關鍵數據支持。···
傳統的作物病害防治,往往要等作物出現明顯病狀后才能著手,這時病害可能已經擴散,防治難度大大增加。而WX-BZ1孢子捕捉分析系統改變了這種“被動應對”的模式,它能在病害孢子還沒對作物造成危害時就主動捕捉,讓農戶提前知曉潛在風險,從“事后補救”轉向“事前預防”,為作物健康搭建起第一道防線。···