聯系人:王經理
銷售電話:15610293837
銷售QQ:2962700085
公司地址:山東省濰坊高新區新城街道玉清社區光電路155號濰坊高新區光電產業加速器(一期)1號樓301

PRODUCT CENTER
聯系人:王經理
銷售電話:15610293837
銷售QQ:2962700085
公司地址:山東省濰坊高新區新城街道玉清社區光電路155號濰坊高新區光電產業加速器(一期)1號樓301
空氣質量傳感器又稱智慧路燈環境傳感器,八要素微氣象儀,空氣質量傳感器是一款空氣質量檢測儀,可用于檢測空氣中的風速、風向、溫度、濕度、氣壓、pm2.5、pm10、噪聲等參數,廣泛應用于環境監測方面。
一、空氣質量傳感器產品簡介
空氣質量傳感器又稱智慧路燈環境傳感器,八要素微氣象儀,空氣質量傳感器是一款空氣質量檢測儀,可用于檢測空氣中的風速、風向、溫度、濕度、氣壓、pm2.5、pm10、噪聲等參數,廣泛應用于環境監測方面。
山東萬象環境科技有限公司作為專業研發生產銷售微型氣象儀的企業,一直致力于微型氣象儀和氣象環境解決方案推廣應用。具有完整的生產鏈、實力雄厚的技術團隊和全面的營銷團隊,我們研發生產的超聲波風速風向儀、五要素微氣象儀、六要素微氣象儀和小型自動氣象站等氣象產品,已廣泛應用到氣象監測、城市環境監測、風力發電、航海船舶、航空機場、橋梁隧道等領域,客戶遍布全國各地,并取得了良好的社會效益和經濟效益。
與傳統的微型氣象儀相比,我司產品克服了對高精度計時器的需求,避免了因傳感器啟動延時、解調電路延時、溫度變化而造成的測量不準問題。
WX-WQX8型八要素微氣象儀創新性地將氣象標準參數(風速、風向、溫度、濕度、氣壓、pm2.5、pm10、噪聲)通過一個高集成度結構來實現,可實現戶外氣象參數24小時連續在線監測,通過數字量通訊接口將八項參數一次性輸出給用戶。產品結構緊湊,外形美觀、大方、高度集成。
二、空氣質量傳感器產品特點
1、頂蓋隱藏式超聲波探頭,避免雨雪堆積的干擾,避免自然風遮擋
2、原理為發射連續變頻超聲波信號,通過測量相對相位來檢測風速風向
3、風速、風向、溫度、濕度、氣壓、pm2.5、pm10、噪聲八要素一體式
4、采用先進的傳感技術,實時測量,無啟動風速☆
5、抗干擾能力強,具有看門狗電路,自動復位功能,保證系統穩定運行
6、高集成度,無移動部件,零磨損
7、免維護,無需現場校準
8、采用ASA工程塑料室外應用常年不變色
9、產品設計輸出信號標配為RS485通訊接口(MODBUS協議);可選配232、USB、以太網接口,支持數據實時讀取☆
10、可選配無線傳輸模塊,最小傳輸間隔1分鐘
11、探頭為卡扣式設計,解決了運輸、安裝過程松動不準的問題☆
三、空氣質量傳感器技術參數
1.風速(標配):量程:0~60m/s;分辨率0.01m/s;精度:±0.1m/s(北京市氣象局校準證書)☆
2.風向(標配):量程:0~360°;分辨率:1°;精度:±2°(北京市氣象局校準證書)☆
3.空氣溫度(標配):量程:-40-60℃;分辨率0.01℃;精度:±0.3℃(25℃)(北京市氣象局校準證書)☆
4.空氣濕度(標配):量程:0-100%RH;分辨率:0.01%RH;精度:±3%RH(北京市氣象局校準證書)☆
5.大氣壓力(標配):量程:30-110Kpa;分辨率0.01Kpa;精度:±0.25%(北京市氣象局校準證書)☆
6.PM2.5(標配):量程:0-1000ug/m3;分辨率1ug/m3;精度:±10%(<500微克)
7.PM10(標配):量程:0-1000ug/m3;分辨率1ug/m3;精度:±10%(<500微克)
8.噪聲(標配):量程:30-120dB;分辨率0.1dB;精度:±1.5dB
9.其他可選配要素:壓電雨量、TSP、一氧化碳、二氧化硫、二氧化氮、臭氧、光照度、光學雨量、總輻射、二氧化碳、氧氣含量、硫化氫、氫氣、氯氣、氨氣、氯化氫、氰化氫、氟化氫、磷化氫、二氧化氯、環氧乙烷、一氧化氮、過氧化氫、四氫噻吩、甲醛、VOC、催化燃燒可燃氣
9.功率:0.72W
10.生產企業具有ISO質量管理體系、環境管理體系、職業健康管理體系認證☆
11.生產企業具有專利證書和計算機軟件注冊證書☆
12.生產企業為3A級信用企業
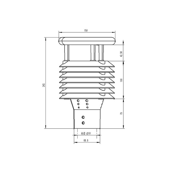
四、空氣質量傳感器產品尺寸圖

五、空氣質量傳感器產品結構圖

1、控制電路
2、指北箭頭
3、超聲波探頭
4、百葉箱PM2.5、PM10
5、溫度、濕度、噪聲、氣壓監測位置
6、法蘭轉換頭
※此產品可選配電子羅盤功能
六、產品接線定義

定義 | 備注 | |
VCC | 電源正 | DC12V |
GND | 電源地 | |
485A | RS485A | |
485B | RS485B |
WX-SQ2手持風速風向氣象站的核心優勢在于其即時性和便攜性。設備采用緊湊的一體化設計,可輕松放入工具包或掛在腰間,開機即可工作。高靈敏度傳感器能夠捕捉氣流的細微變化,無論是突如其來的陣風還是持續的風向轉變,都能在數秒內給出準確讀數。這種即時獲取風場數據的能力,讓使用者能夠根據實際情況調整作業計劃或行進路線,規避強風帶來的安全隱患。···
WX-EL2戶外光伏電站測試儀的使用是一種為了保證光伏電站的安全運行和發電效率的有效手段,它可以幫助排除那些可能導致設備故障和電力損失的隱患,搭載2400萬級紅外相機可有效幫助用戶發現光伏板內部直流質量問題,在確保光伏電站的安全運行和發電質量方面起到重要作用。戶外光伏電站測試儀作為一款可靠實用的太陽能電池板內部缺陷檢測儀器,對于光伏發電行業來說是一個全新的突破···
WX-XQ4校園科普氣象站的建設,有助于提升學生的科學認知和實踐能力。通過實時監測氣象數據、分析天氣變化,學生們能夠直觀地了解氣象科學的基本原理,增強對自然現象的探究興趣。同時,參與氣象站的日常維護和數據記錄,也能鍛煉學生的動手能力和團隊協作精神。校園科普氣象站的建設有助于推動校園文化的多元化發展。氣象站作為校園內的一道亮麗風景線,不僅能夠吸引師生們的關注···
WX-BGF11S光伏發電環境監測系統最突出的優勢在于其精準的環境感知能力。它能同步捕捉與光伏發電緊密相關的多項環境要素,無論是光照強度的起伏、環境溫度的變化,還是風速風向的波動,都能被準確記錄。這種全面且精準的監測,打破了以往對單一環境要素監測的局限,讓電站運營者能清晰掌握環境變化對發電效率的影響規律,為后續的優化調整提供可靠的數據基礎。···
WX-WQX5S金屬款微型氣象儀采用優質金屬材料打造,具有出色的抗腐蝕性和耐用性,能夠在各種惡劣環境下保持穩定的性能。其內置的高精度傳感器能夠實時監測溫度、濕度、氣壓、風速和風向這五大氣象要素,為用戶提供全面、準確的氣象數據。這些數據對于農業種植、環境監測、戶外探險等領域都具有極高的參考價值。···
在應急響應和環境管理的緊迫需求下,多功能移動環境監測儀以其卓越的性能和靈活性,成為了應急監測氣象參數的優選工具。這款高科技設備不僅集成了多種監測功能于一體,更以其便攜性和高效性,在各類應急場景中發揮著不可替代的作用。WX-BQX6多功能移動環境監測儀的設計初衷便是為了滿足復雜多變的應急監測需求。它集成了風速···